• [ 索号 ]
  • 115002320086905019/2025-00105
  • [ 发文字号 ]
  • [ 主题分类 ]
  • 土地
  • [ 体裁分类 ]
  • 其他
  • [ 成文日期 ]
  • 2025-11-17
  • [ 发布日期 ]
  • 2025-11-17
  • [ 发布机构 ]
  • 武隆区规划自然资源局
  • [ 有性 ]
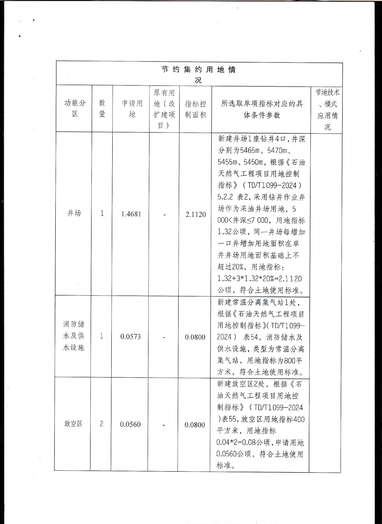
焦页107号平台试采建设项目农用地转用方案
日期:2025-11-17
字体:【 默认 超大
分享:


版权所有:重庆市武隆区人民政府 主办单位:重庆市武隆区人民政府办公室

网站标识码:5002320015 ICP备案:渝ICP备11006838号-1 渝公网安备 50023202000180号